Die wichtigsten Features der grafischen Benutzeroberfläche
Alarme
Konfiguration von anlagenspezifischen Alarmen, die entweder einzelne Prozesse oder die ganze Sequenz beenden können.
Logging
Auswahl der Prozesskanäle, welche manuell oder während der Sequenz gespeichert werden sollen.Die protokollierten Daten können angesehen werden.
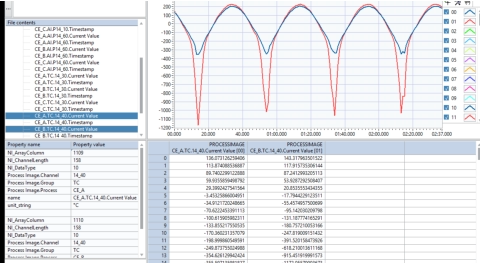
Prozessabbild
Durch das Prozessabbild können alle Prozessgrössen online eingesehen werden.
80% Standardumfang + 20% FlexibilitätSPE ist so aufgebaut, dass der Großteil bereits im Standardumfang enthalten ist, so dass eine ständige Neuprogrammierung nicht notwendig ist. Alles darüber hinaus kann flexibel auf Ihre Anforderungen abgestimmt werden.
Sicherheit + EffizienzUnsere Software basiert auf jahrzehntelanger Erfahrung mit unterschiedlichsten Kunden und Anlagen. Statt jedes Mal bei Null anzufangen, greifen wir auf bewährte Module zurück, die Ihnen den höchsten Standard gewährleisten.
Eigene Weiterentwicklung in LabVIEW möglichSobald alles eingerichtet ist, können Sie auch ohne Unterstützung selbstständig in LabView weiterentwickeln.
Prozessvisualisierung
in LabVIEW
Ein Controller für beliebig viele Visualisierungen, der anlagenspezifisch angepasst werden kann.
Sequenz
Mit dem Sequenzmodul können Sie Abläufe aus CSV-Dateien laden und automatisch oder manuell schrittweise ablaufen lassen.
Im Video sehen Sie, wie SPE in der Praxis funktioniert:Bei einem unserer Kunden, dem Zentrum für BrennstoffzellenTechnik (ZBT) in Duisburg, wird SPE bereits eingesetzt und erleichtert so alltägliche Abläufe.
Visualisierung
(Databinding)
Die Visualisierung ermöglicht eine individuell anpassbare Übersicht / Sicht auf Anlage.
Instanzfähigkeit
SPE kann für eine einzelne Anlage verwendet werden oder bei mehreren Prüfplätzen in einer Gesamtanlage in mehreren Instanzen laufen. Jede Instanz hat ihren eigenen Sequenzablauf / ihre eigene Visualisierung / ihre eigene Konfguration.
Konfiguration von anlagenspezifischen Alarmen, die entweder einzelne Prozesse oder die ganze Sequenz beenden können.
Logging
Auswahl der Prozesskanäle, welche manuell oder während der Sequenz gespeichert werden sollen.Die protokollierten Daten können angesehen werden.
Prozessabbild
Durch das Prozessabbild können alle Prozessgrössen online eingesehen werden.
80% Standardumfang + 20% FlexibilitätSPE ist so aufgebaut, dass der Großteil bereits im Standardumfang enthalten ist, so dass eine ständige Neuprogrammierung nicht notwendig ist. Alles darüber hinaus kann flexibel auf Ihre Anforderungen abgestimmt werden.
Sicherheit + EffizienzUnsere Software basiert auf jahrzehntelanger Erfahrung mit unterschiedlichsten Kunden und Anlagen. Statt jedes Mal bei Null anzufangen, greifen wir auf bewährte Module zurück, die Ihnen den höchsten Standard gewährleisten.
Eigene Weiterentwicklung in LabVIEW möglichSobald alles eingerichtet ist, können Sie auch ohne Unterstützung selbstständig in LabView weiterentwickeln.
Prozessvisualisierung
in LabVIEW
Eigener Controller für beliebig viele Visualisierungen. Anlagenspezifisch angepasst.
Sequenz
Mit dem Sequenzmodul können Sie Abläufe aus CSV-Dateien laden und automatisch oder manuell schrittweise ablaufen lassen.
Im Video sehen Sie, wie SPE in der Praxis funktioniert:Bei einem unserer Kunden, dem Zentrum für BrennstoffzellenTechnik (ZBT) in Duisburg, wird SPE bereits eingesetzt und erleichtert so alltägliche Abläufe.
Visualisierung
(Databinding)
Die Visualisierung ermöglicht eine individuell anpassbare Übersicht / Sicht auf Anlage.
Instanzfähigkeit
SPE kann für eine einzelne Anlage verwendet werden oder bei mehreren Prüfplätzen in einer Gesamtanlage in mehreren Instanzen laufen. Jede Instanz hat ihren eigenen Sequenzablauf / ihre eigene Visualisierung / ihre eigene Konfguration.